| 作動 | 液壓符號 | 類別 | 主訂購代號 | 流量 (l/min) |
壓力 (bar) |
成型孔 |
| 4 ports | ![]() |
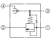
導(dǎo)壓操作平衡活塞
透氣型、外排油 |
RV-21A-40 | 60 | 350 | 21A-4 |
| RV-22A-40 | 120 | 350 | 22A-4 | |||
| RV-23A-40 | 240 | 350 | 23A-4 | |||
| RV-24A-40 | 480 | 350 | 24A-4 |
| 4 ports | ![]() |
導(dǎo)壓操作平衡活塞
透氣型、外排油 帶8A2插孔 |
RV-21A-40-Y-8 | 60 | 350 | 21A-4 |
| RV-23A-40-Y-8 | 240 | 350 | 23A-4 |



























